Language

EN RU AR

Top

Click to enter search

Language

Product Center
Product Center
Contact Us

North side of the intersection of Fujia Village Road and Sprocket Avenue, South District, Renqiu Economic Development Zone, Cangzhou City, Hebei Province

View All Products
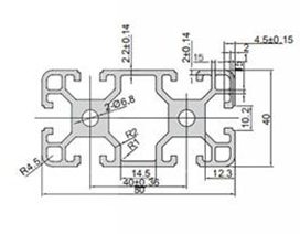
Industrial aluminum profile 4080
note: Special processing can be performed according to user requirements.
Product information

Cutting method:CNC cutting

Effective length:≦6

Cutting cost:According to actual charges

Loss cost:According to actual charges

Warm reminder:Provide customized mold opening service

Workshop display

01

Oxidation treatment
Good surface treatment performance, bright appearance, comfortable and smooth feel

02

Profile extrusion line
Aluminum profiles are processed by hot and cold processes during production, and have strong corrosion resistance

03

Profile packaging
The packaging method can protect aluminum profiles and prevent damage during transportation and storage.
Delivery process
01
Order confirmation
02
Production and quality inspection
03
Packaging preparation
04
Arrange transportatio
05
Delivery and tracking
06
Receipt and feedback
07
After-sales service
Production workshop
Product customization
On-time delivery
Quality assurance
Online service

Contact Us

You can contact us in the following four ways, and we will communicate with you immediately after receiving your inquiry!

Call us

Send an email

Leave a message

Add WeChat or WhatsApp

WeChat
+86 13932778166
Telegram:
Address
North side of the intersection of Fujia Village Road and Sprocket Avenue, South District, Renqiu Economic Development Zone, Cangzhou City, Hebei Province
Choose Language
Please enter product keywords.