Language

EN RU AR

Top

Click to enter search

Language

Product Center
Product Center
Contact Us

North side of the intersection of Fujia Village Road and Sprocket Avenue, South District, Renqiu Economic Development Zone, Cangzhou City, Hebei Province

View All Products
Office partition
Office partitions are a key element in office space planning, and are mainly used to reasonably separate indoor spaces with different functions and scenes.
note: Special processing can be performed according to user requirements.
Product information
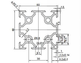
6063-T5 original aluminum
5+24A+5 tempered glass
National standard 1.4mm
One-piece bending aluminum strip process
PA66 nylon insulation strip
Thermal insulation cotton
Automotive grade sealing strip
Hidden drainage design
9
Level
Wind pressure resistance

4.5kpa ≦ P > 5.0kpa

8
Level
Thermal insulation

1.6w(m³.k)≧ k ≦ 1.3w(m³.k)

7
Level
Air tightness

1.0m³(m.h)≧ q1 ≦ 0.5m³(mh)

3.0m³(m.h)≧ q1 ≦ 0.5m³(mh)

5
Level
Sound insulation

35dB≦ Rw+Ctr< 45dB

6
Level
Water tightness

500pa≦ P < 700pa

Cutting method:

CNC cutting

Effective length:

≦6

       Cutting cost:

According to actual charges

            Loss cost:

According to actual charges

Warm reminder:

Provide customized mold opening service

· Features
1. Made of national standard AO0 aluminum ingot and 6063-T5 primary aluminum.
2. The heat insulation strip is made of national standard (PA66) nylon material, which has the advantages of reducing heat conduction, heat preservation and energy saving, and reducing noise.
3. The automotive grade EPDM sealing strip has a smooth and beautiful surface, good elasticity and resistance to compression deformation, aging resistance, ozone resistance, and chemical resistance
4. The inner pressure line arc surface and the plane are cleverly spliced, with a strong sense of lines, simple but not simple, mechanical card design, simple and convenient disassembly and assembly, and the effect is simple and generous. The pressure line does not need to be glued, and the installation is safe and convenient, and the operation is simple.
5. Fixed internal and external pressure glue, weather-resistant and anti-oxidation, the external pressure line adopts single-sided pressure line, which can ensure the beauty of the internal pressure line. At the same time, the standard waterproof strip does not need to be glued indoors and outdoors, and it is safe to install at high altitude.
6. The glass sash adopts European standard groove and is compatible with hardware from major brands. The inner and outer frame sashes are flush, which is beautiful and elegant.
7. The gauze fan adopts the latest gauze mesh pressing method to achieve seamless structure.
8. The glass fan, guardrail, and gauze fan are arranged as a whole, with clear layers and a simple and elegant appearance.
9. Standard 37 hollow, high sound insulation standard (5mm+24A+5mm), double hollow layer enhances the functionality of the whole window, and heat-insulating and silent glass.
10. Standard baseless handle/conventional handle, high-transparency mesh 1 diamond mesh.
Delivery process
01
Order confirmation
02
Production and quality inspection
03
Packaging preparation
04
Arrange transportatio
05
Delivery and tracking
06
Receipt and feedback
07
After-sales service
Production workshop
Product customization
On-time delivery
Quality assurance
Online service

Contact Us

You can contact us in the following four ways, and we will communicate with you immediately after receiving your inquiry!

Call us

Send an email

Leave a message

Add WeChat or WhatsApp

WeChat
+86 13932778166
Telegram:
Address
North side of the intersection of Fujia Village Road and Sprocket Avenue, South District, Renqiu Economic Development Zone, Cangzhou City, Hebei Province
Choose Language
Please enter product keywords.